Nowy rurowy przełącznik przechyłu

2025-11-14 - Zostaw mi wiadomość

Przełącznik przechyłu jest niezawodnym i istotnym urządzeniem zabezpieczającym. Jej obecność znacząco zwiększa bezpieczeństwo użytkowania różnorodnych urządzeń stojących w codziennym użytkowaniu.


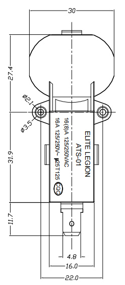
Aby sprostać rosnącym wymaganiom naszych klientów, przedstawiamy nasz nowy przełącznik rurowy typu tip-over. Model ten charakteryzuje się odrębną obudową w stosunku do naszych poprzednich projektów, oferując bardziej kompaktową powierzchnię, co sprawia, że ​​idealnie nadaje się do integracji z konstrukcjami rurowymi, takimi jak wentylatory stojące, wentylatory wieżowe i podobne urządzenia.

  

W przypadku przypadkowego przewrócenia się lub nadmiernego przechylenia sprzętu, wyłącznik ten automatycznie odcina dopływ prądu. Funkcja ta jest niezbędna, aby zapobiec potencjalnym zagrożeniom, takim jak pożar, porażenie prądem i uszkodzenie samego sprzętu.


Wyślij zapytanie

X
We use cookies to offer you a better browsing experience, analyze site traffic and personalize content. By using this site, you agree to our use of cookies. Privacy Policy